Meine Leistungen im Überblick

Meine TGA-Fachplanung erstreckt sich über ein breites Spektrum an Gebäudetypen und Nutzungen. Dazu zählen Wohngebäude, Gewerbe- und Bürogebäude, Lager- und Logistikimmobilien, Industrieanlagen sowie hochspezialisierte Bereiche wie Labore und kerntechnische Anlagen. In allen Bereichen biete ich eine fachlich fundierte, normgerechte und projektspezifische TGA- Fachplanung, angepasst an die jeweiligen technischen, sicherheitsrelevanten und Betrieblichen Anforderungen.

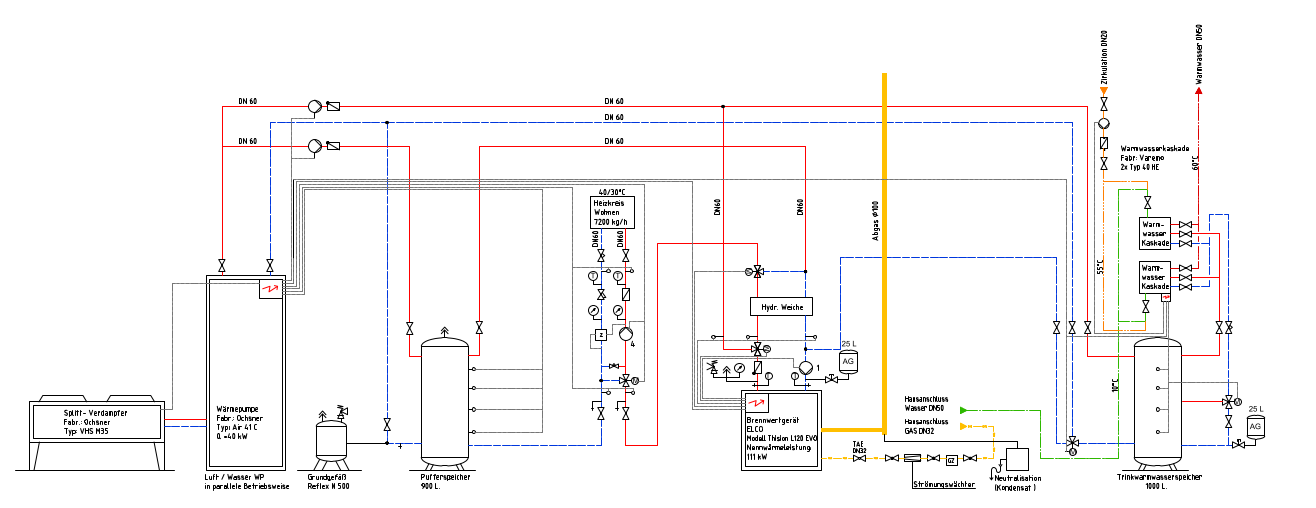
1. Fachplanung Technische Gebäudeausrüstung

  • Heizungstechnik

  • Lüftungs- und Klimatechnik

  • Sanitärtechnik

  • Elektrotechnik

  • Nutzung regenerativer Energiesysteme

  • Energieeffizienz- und Nachhaltigkeitskonzepte

Planung gemäß HOAI (Leistungsphasen 1–9) oder individuell nach Projektanforderung.

2. Beratung & Konzeptentwicklung

  • Technische und wirtschaftliche Variantenuntersuchungen

  • Energie- und Effizienzberatung

  • Optimierung bestehender Anlagen

  • Machbarkeitsstudien und Vorplanungen

3. Ausführungsplanung & Ausschreibung

  • Detail- und Ausführungsplanung

  • Erstellung von Leistungsverzeichnissen

  • Mitwirkung bei Vergabeprozessen

  • Technische Klärung mit Fachfirmen

4. Bauüberwachung & Projektbegleitung

  • Fachtechnische Bauüberwachung

  • Qualitäts-, Kosten- und Terminkontrolle

  • Abnahmen, Dokumentation und Inbetriebnahmebegleitung

  • Unterstützung im Gewährleistungszeitraum

5. Bestandsanalyse & Sanierung

  • Analyse bestehender TGA-Anlagen

  • Sanierungs- und Modernisierungskonzepte

  • Energetische Optimierung im laufenden Betrieb

Sie haben noch ein paar Fragen, bevor es in die Planung geht? Melde Sie sich bei mir.